• 电话:0533-4615336 4615476
  • 传真:0533-4615378
  • 地址:淄博市博山开发区(桃园工业园)
  • 邮编:255123
  • 邮箱:zbhaochuan@126.com
  • 网址:www.zibohaochuan.com
气胀机械夹头

专注于气胀轴制造二十年 高效 精密 可靠的卷取系统解决方案

  当前所在位置:首页 > 产品展示 > 气胀机械夹头

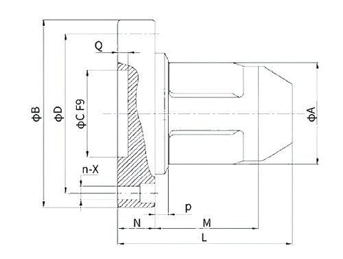
产品名称:旋转式机械夹头

发布时间:2025-07-24 14:00:00    点击:

旋转式机械夹头 ROTATING MECHANICAL CHUCK
工作原理为机械动作,抓紧卷芯内径后保持同心度,但因机械的特性强制抓紧卷芯,因此有可能使卷芯两端变形。主要应用于钢质卷芯。

规格尺寸:3寸、6寸、3寸转6寸

上一篇:暂无内容!     下一篇:侧推式机械夹头